| Sign In | Join Free | My portofva.com | 
 | 
Brand Name : NBSANMINSE
Model Number : 6281
Certification : ISO9001
Place of Origin : CHINA
MOQ : 10PCS
Price : Negotiation
Payment Terms : L/C,T/T
Supply Ability : 10000PCS
Delivery Time : 5-30days
Packaging Details : Box
Orifice : DN 10... DN 50
Operating voltage : 24 V/DC, 24 V/UC, 24 V/50…60 Hz, 230 V/UC, 230 V/50…60 Hz
Ambient temperature : Max. +55°C
Media : Gas,Water,Air,oil,steam
Standard or nonstandard : Standard
Working pressure : 0.15-0.8Mpa,0-7kgf/cm3,0.15~0.8 MPa
Voltage : DC12V DC24V AC24V AC110V AC220V AC380V,AC,±10%,DC
| Can be combined with | Type description | |
|  | Type 2518 Cable plug, form A according to DIN EN 175301-803 | The 6281 valve is a servo-assisted solenoid valve of the S.EV series. A minimum  differential pressure is always required for the function of the valve. Various dia phragm material combinations and methods of operation are available depending  on the application. The standard brass housing satisfies all European drinking  water requirements. Dezincification-resistant brass is available for other markets.  The housing offering is rounded out by a stainless steel version. To reduce power  consumption in operation, coils with "Kick and Drop" (KD) electronics assembly  (double coil technology) are available. The valve can be equipped with manual  override for easy maintenance and commissioning. NEMA 4X is available on  request. | 
|  | Type 2509 Cable plug, form A according to DIN EN 175301-803 | |
| 1.General technical data | |
| Product properties | |
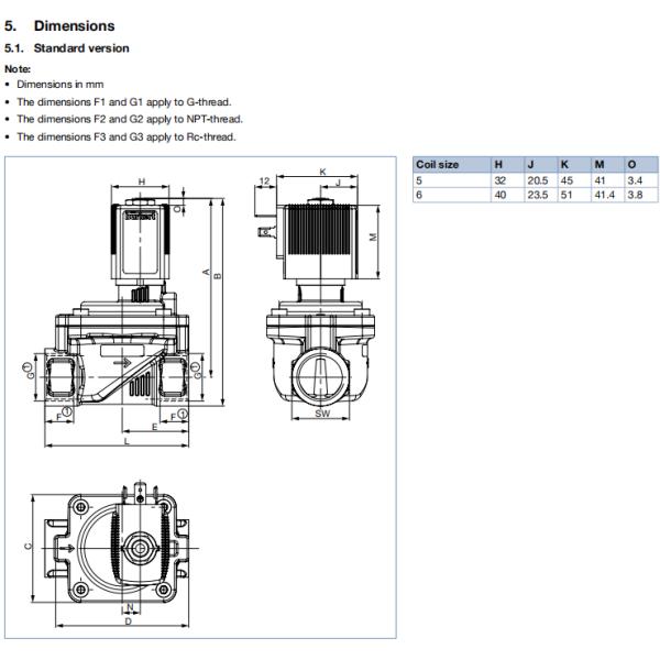
| Dimensions | Further infomation can be found in chapter "5.Dimensions"on page 7. | 
| Material | |
| Seal | NBREPDM,FKM | 
| Body | Brass acc.to DIN EN 50930-6,stainless steel (dezincification resistant on request) | 
| Inner valve parts | Stainless stee,Brass,Plastic(PPS) | 
| Orifice | DN 10...DN 50 | 
| Circuit function | Further infomation can be found in chapter “2.Circuit functions”on page 4. | 
| Themal insulation class of solenoid coil | Polyamide coil class B Epoxy coil class H | 
| Performance data | |
| Duty cycle | 100%continuous operation | 
| Switching time⁴ | Opening:0.1.….1.5 s Closing:0.2...4s | 
| Electrical data | |
| Operating woltage | 24V/DC,24VUC,24V/50...60 Hz,230 VUC,230V/50...60Hz | 
| Power consumption | Further infomation can be found in chapter "6.Performance specifications"on page 12. | 
| Voltage tolerance | ±10% | 
| Medium data | |
| Operating medium | |
| NBR | Neutral fluids (e.g.compressed air,water) | 
| EPDM | Oiland fat-free fluids,hot water,aceton,aqueous alkali solution | 
| FKM | Hot air,per-solution | 
| Medium temperature | |
| NBR | -10.…+80℃ | 
| EPDM | -30*...90℃(with epoxy coil to+100℃) | 
| FKM | 0℃…90℃with epoxy coil to+120℃) | 
| Process/Port connection &communication | |
| Bectrical connection | ·Cable plug Type 2518▶,fomA acoording to DIN EN 175301-803 Further infomation can be found in chapter"“Cable plug Type 2518,form Aaccording to DIN EN 175301-803"on page 20. | 
| ·Cable plug Type 2509▶,fomA acoording to DIN EN 175301-803 | |
| Further infomation can be found in chapter"“Cable plug Type 2509,form Aaccording to DIN EN 175301-803"on page 20. | |
| Approvals and conformities | |
| Directives CE,EAC | |
| Degree of protection | IP65 with cable plug,cable connection and terminal box | 
| Explosionprotection | Further infomation can be found in chapter"3.4.Explosion protection"on page 4. | 
| North America(USA/Canada) | Further infomation can be found in chapter"3.5.North America (USA/Canada)"on page 5. | 
| Drinking water | Further infomation can be found in chapter "3.6.Drinking water"on page 5. | 
| Environment and installation | |
| Installation | As required,preferably with actuator upright | 
| Ambient temperature | Max.+55℃ | 
| 1.) Measurement at +20 °C, 6 bar at the valve outlet, opening: pressure build-up 0…90%, closing: pressure reduction 100…10% | |




























|   | 
| Servo-assisted 2/2-way Brass Solenoid Valve with DN 10... DN 50 Orifice and 24 V/DC Operating Voltage Images | 
 P4 Mini Brass / SS 316 Electric Solenoid Water Valve Pilot Operated Action
                                                                                    
                        
                        
                        
                                                            P4 Mini Brass / SS 316 Electric Solenoid Water Valve Pilot Operated Action
                                                    
                        
                     F1 Cast Iron Oil / Underwater Solenoid Valve Low Voltage 15 mm - 150 mm Oriffice
                                                                                    
                        
                        
                        
                                                            F1 Cast Iron Oil / Underwater Solenoid Valve Low Voltage 15 mm - 150 mm Oriffice
                                                    
                        
                     High Flow A2 SS Solenoid Valve Magnetic Solenoid Valve NBSANMINSE Brand
                                                                                    
                        
                        
                        
                                                            High Flow A2 SS Solenoid Valve Magnetic Solenoid Valve NBSANMINSE Brand
                                                    
                        
                     2W Series Solenoid Valve Brass Valve Water Valve Steam Valve Anti - Explosion
                                                                                    
                        
                        
                        
                                                            2W Series Solenoid Valve Brass Valve Water Valve Steam Valve Anti - Explosion
                                                    
                        
                     SMF10 - L 1/4 NPT Air Compressor Pressure Switch Pressure Operated Electric
                                                                                    
                        
                        
                        
                                                            SMF10 - L 1/4 NPT Air Compressor Pressure Switch Pressure Operated Electric
                                                    
                        
                     Servo-assisted 2/2-way Diaphragm Valve with Steel Material and Brass Solenoid
                                                                                        
                                                        
                        
                        
                        
                                                            Servo-assisted 2/2-way Diaphragm Valve with Steel Material and Brass Solenoid
                                                    
                        
                     SR-G-15 4Mpa G 1/2 High Pressure Solenoid For Electronic Drain Valves Air
                                                                                        
                                                        
                        
                        
                        
                                                            SR-G-15 4Mpa G 1/2 High Pressure Solenoid For Electronic Drain Valves Air
                                                    
                        
                     SR-D-15 G1/2" Auto Drain Air Compressor Brass Vent Device Valve Big Valve Body
                                                                                    
                        
                        
                        
                                                            SR-D-15 G1/2" Auto Drain Air Compressor Brass Vent Device Valve Big Valve Body
                                                    
                        
                     NBSANMINSE Electronic Drain Valve G1/2 1.6 Mpa SR-B-15 Brass Solenoid Valve
                                                                                        
                                                        
                        
                        
                        
                                                            NBSANMINSE Electronic Drain Valve G1/2 1.6 Mpa SR-B-15 Brass Solenoid Valve
                                                    
                        
                     NBSANMINSE SR - A - 15 Electronic Drainer G1 / 2 1.6Mpa Exhaust Valve Water
                                                                                        
                                                        
                        
                        
                        
                                                            NBSANMINSE SR - A - 15 Electronic Drainer G1 / 2 1.6Mpa Exhaust Valve Water